隨著電子設備性能的不斷提升,對電源管理芯片的要求也越來越高。特別是在大功率應用領域,如工業自動化、服務器和高性能計算等,對電源的穩定性、效率和可靠性有著極高的要求。LP9962和LP32525B是兩款高性能的電源管理芯片,它們結合在一起,可以提供一個高達240W的高效電源解決方案。
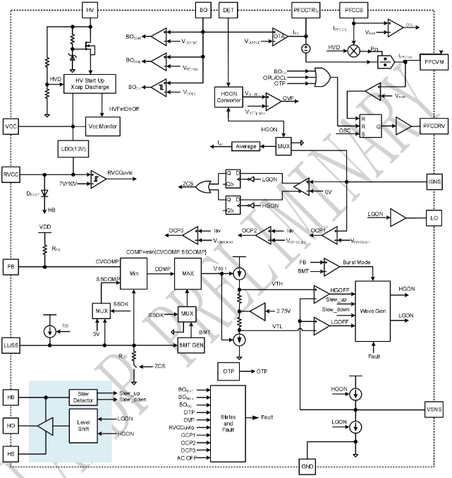
LP9962是一款集成了PFC(功率因數校正)和電流模式LLC(諧振半橋)的Combo控制器。這款芯片專為大功率適配器設計,能夠提供超低的待機功耗和高效率的電源轉換。LP9962的特點包括:
高效率:在寬輸入電壓范圍內保持高效率,降低能耗。
低待機功耗:滿足嚴格的能源標準,如能源之星和歐盟ErP指令。
集成PFC:內置的PFC控制器可以提高功率因數,減少諧波失真。
電流模式LLC:提供穩定的輸出電壓和快速的動態響應。

LP32525B是一款同步整流(SR)控制器,它與LP9962配合使用,可以進一步提高電源轉換效率。LP32525B的特點包括:
同步整流:通過控制同步整流器的開關,降低整流過程中的損耗。
高兼容性:與多種PWM控制器兼容,易于集成到現有設計中。
保護功能:包括過壓、欠壓、過流和過溫保護,確保系統穩定運行。

結合LP9962和LP32525B,可以構建一個240W的電源解決方案,適用于需要高功率輸出的應用。這個解決方案的優勢在于:
高效率:通過PFC和LLC的結合,以及同步整流技術,實現高效率的電源轉換。
低待機功耗:滿足嚴格的能源標準,降低長期運行成本。
高穩定性:內置的保護功能確保在各種工作條件下的穩定性。
易于設計:兩款芯片的結合提供了一個完整的電源管理解決方案,簡化了設計過程。
LP9962和LP32525B的結合,為大功率應用提供了一個高效、穩定且易于設計的電源解決方案。這個240W的方案不僅能夠滿足高性能計算和工業自動化的需求,還能夠降低能耗,符合現代能源效率標準。隨著電子設備對電源要求的不斷提高,這樣的解決方案將越來越受到市場的青睞。